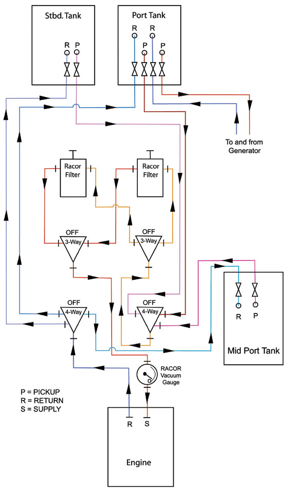
Backup Fuel System